877-850-5551



RE16261 - Brake Accumulator

Hydraulic Accumulator (Late Style)

SKU RE16261   Stock # 411070

Purchase Options
Good Used $850
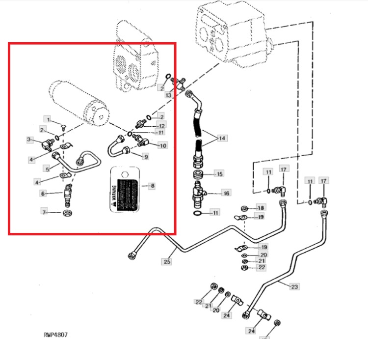
RE16261 - Oil Lines
RE16261 - Breakdown

RE16261 - Hydraulic Accumulator (Late Style)


⚠️Images Required to Order⚠️


Fitment:
- 4050 (005252 - ), 4250 (009379 - ), 4450 (019167- ), 4650 (010672 - ) 4850 (008735 - )
- 4055, 4255, 4455, 4555, 4755, 4955
- 4560, 4760, 4960
- 8450, 8650, 8850
- 9950 Cotton Picker


Not Included:

- Oil Lines 


Add to Cart    Text Us! 573-242-5582



MSRP $1,700
Save $950!


This RE16261 - Brake Accumulator will fit the following models...

John Deere
4050, 4055, 4250, 4255, 4450, 4455, 4555, 4560, 4650, 4755, 4760, 4850, 4955, 4960, 8450, 8650, 8850
Tags: RE16261 Accumulator Brake Accumulator Hydraulic Accumulator Pneumatic Accumulator RE11956



Marked Numbers
RE16261, R120109, R120110, R80754, R82337, RE11956, AR78547, AR81856, RE16260, RE16259
Enter zip code for freight quote

Get Quote