877-850-5551

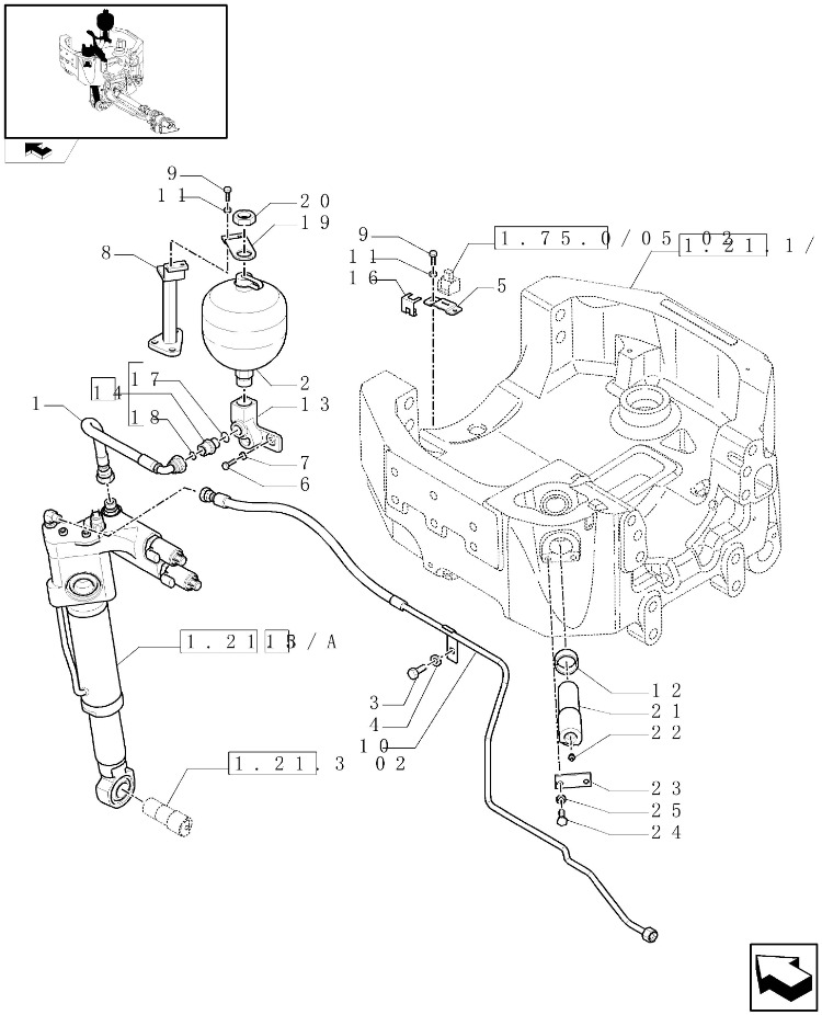
Class 4 Front Axle with Brakes

Active Suspension (for Terralock and FPS)

SKU 47499253   Stock # 398585

Purchase Options
Used Warranty:
1 Year Parts Warranty
$22,500
Puma Class 4 Axle with Brakes
  • List price as listed is $36,500
  • Good Used - $22,500 with a Core Rebate
  • Reconditioned Axle - $27,500 with a Core Rebate
  • Complete Axle with Support and Driveshafts

Class 4 Suspended Axle with Brakes

  • TerraLock Active Suspension, 4 Pin Planetary
  • MFWD Axle with Suspensions and Brakes
  • VAR. 728212
  • Replaces: 84180901, 84381243, 87634344 and 47499253

Sold with
- Front Support 84526232 - $4000
(Sub for 84148252, 84186950, 84380307, 87340131, 87545820, 87618800, 87644379)
- Driveshaft and Parts $5000
91848927, 48177009, 48162517, 87618799, 48160664, 48160663, 82037881, 84263341, 87311709, 87644382
- Suspension Cylinder and Valve $5000
90396432, 47986949, 84486825, 87383950, 87644388

Axle Housing 87633093, 87347588, 91805141

87633142, 48081037, 84361398

This axle may be replaced with Axles
Active Suspended Axle with Brakes
3 Pinion 48081043 or 51408015
4 Pinion 48081038 or 51408012 (Sub to 51408005)
91714737, 90400521
Axle Housing - 47912967
47499290, 84180915 or 84381282

 

T4B (MY15 -) Class 4 Suspended Axle with Brakes - 47499290, 84180915, 84381282 

 

Fitment

PUMA 165 - TRACTOR - SERIAL NUMBER Z*BE 40001 --> 50000 AND 60001 --> ...(01/09 - 10/18)84381243 1.40.0 - FRONT AXLE
PUMA 165 - TRACTOR(01/07 - 12/11)47499253 1.40.0 - FRONT AXLE, ASSY
PUMA 170 - TRACTOR - CVT(12/10 - 11/15)84180901 25.100.00 - FRONT AXLE
84381243 25.100.00 - FRONT AXLE
PUMA 170 - TRACTOR(12/10 - 11/15)84180901 25.100.00 - FRONT AXLE
84381243 25.100.00 - FRONT AXLE
PUMA 180 - TRACTOR - SERIAL NUMBER Z*BE 40001 --> 50000 AND 60001 --> ...(01/09 - )84381243 1.40.0 - FRONT AXLE
PUMA 180 - TRACTOR(01/07 - 12/11)47499253 1.40.0 - FRONT AXLE, ASSY
PUMA 185 - TRACTOR - CVT(12/10 - 12/14)84180901 25.100.00 - FRONT AXLE
84381243 25.100.00 - FRONT AXLE
PUMA 185 - TRACTOR - TIER 4B - MY15 (Made in Basildon)(05/15 - 01/18)47499253 25.108.AC[08] - VAR - 758049 - SUSPENDED FRONT AXLE, W/ FRONT BRAKES, FINAL DRIVE
47499253 25.108.AB[03] - VAR - 758049 - SUSPENDED FRONT AXLE, W/ FRONT BRAKES, PLANETARY GEAR
47499253 25.108.AA[08] - VAR - 758049 - SUSPENDED FRONT AXLE, W/ FRONT BRAKES, SHAFT
47499253 25.108.AN[08] - VAR - 758049 - SUSPENDED FRONT AXLE, W/ FRONT BRAKES, WHEEL, HUB
47499253 25.108.AG[16] - VAR - 758049 - SUSPENDED FRONT AXLE, W/ FRONT BRAKES, STEERING KNUCKLE, LH
47499253 25.108.AG[15] - VAR - 758049 - SUSPENDED FRONT AXLE, W/ FRONT BRAKES, STEERING KNUCKLE, RH
47499253 25.100.AD[09] - VAR - 758049 - SUSPENDED FRONT AXLE, W/ FRONT BRAKES, HOUSING
47499253 25.100.AA[03] - VAR - 758049 - FRONT AXLE, SUSPENDED W/BRAKES
47499253 25.102.AD[10] - VAR - 758049 - SUSPENDED FRONT AXLE, W/ FRONT BRAKES, DIFFERENTIAL, HOUSING
47499253 33.204.AG[05] - VAR - 758049 - SUSPENDED FRONT AXLE, W/ FRONT BRAKES, BRAKE LINE
47499253 33.204.AD[03] - VAR - 758049 - SUSPENDED FRONT AXLE, W/ FRONT BRAKES, BRAKES
47499253 33.204.AB[03] - VAR - 758049 - SUSPENDED FRONT AXLE, W/ FRONT BRAKES, BLEED SCREW
47499253 41.216.AN[10] - VAR - 758049 - SUSPENDED FRONT AXLE, W/ FRONT BRAKES, STEERING CYLINDER
47499253 41.216.AV[16] - VAR - 758049 - SUSPENDED FRONT AXLE, W/ FRONT BRAKES, STEERING CYLINDER, HYDRAULIC LINE
47499253 41.106.AG[09] - VAR - 758049 - SUSPENDED FRONT AXLE, W/ FRONT BRAKES, TIE-ROD ASSY
47499253 55.047.AA[09] - VAR - 758049 - SUSPENDED FRONT AXLE, W/FRONT BRAKES, STEERING SENSOR
PUMA 185 - TRACTOR - TIER 4B(04/14 - 10/15)47499253 25.108.AC[08] - VAR - 758049 - SUSPENDED FRONT AXLE, W/ FRONT BRAKES, FINAL DRIVE
47499253 25.108.AB[03] - VAR - 758049 - SUSPENDED FRONT AXLE, W/ FRONT BRAKES, PLANETARY GEAR
47499253 25.108.AA[08] - VAR - 758049 - SUSPENDED FRONT AXLE, W/ FRONT BRAKES, SHAFT
47499253 25.108.AN[08] - VAR - 758049 - SUSPENDED FRONT AXLE, W/ FRONT BRAKES, WHEEL, HUB
47499253 25.108.AG[16] - VAR - 758049 - SUSPENDED FRONT AXLE, W/ FRONT BRAKES, STEERING KNUCKLE, LH
47499253 25.108.AG[15] - VAR - 758049 - SUSPENDED FRONT AXLE, W/ FRONT BRAKES, STEERING KNUCKLE, RH
47499253 25.100.AD[09] - VAR - 758049 - SUSPENDED FRONT AXLE, W/ FRONT BRAKES, HOUSING
47499253 25.100.AA[03] - VAR - 758049 - FRONT AXLE, SUSPENDED W/BRAKES
47499253 25.102.AD[10] - VAR - 758049 - SUSPENDED FRONT AXLE, W/ FRONT BRAKES, DIFFERENTIAL, HOUSING
47499253 33.204.AG[05] - VAR - 758049 - SUSPENDED FRONT AXLE, W/ FRONT BRAKES, BRAKE LINE
47499253 33.204.AD[03] - VAR - 758049 - SUSPENDED FRONT AXLE, W/ FRONT BRAKES, BRAKES
47499253 33.204.AB[03] - VAR - 758049 - SUSPENDED FRONT AXLE, W/ FRONT BRAKES, BLEED SCREW
47499253 41.216.AN[10] - VAR - 758049 - SUSPENDED FRONT AXLE, W/ FRONT BRAKES, STEERING CYLINDER
47499253 41.216.AV[16] - VAR - 758049 - SUSPENDED FRONT AXLE, W/ FRONT BRAKES, STEERING CYLINDER, HYDRAULIC LINE
47499253 41.106.AG[09] - VAR - 758049 - SUSPENDED FRONT AXLE, W/ FRONT BRAKES, TIE-ROD ASSY
47499253 55.047.AA[09] - VAR - 758049 - SUSPENDED FRONT AXLE, W/FRONT BRAKES, STEERING SENSOR
PUMA 185 - TRACTOR(12/10 - 08/15)84180901 25.100.00 - FRONT AXLE
84381243 25.100.00 - FRONT AXLE
PUMA 185 CVT - TRACTOR - TIER 4B - MY15(05/15 - 02/18)47499253 25.108.AC[08] - VAR - 758049 - SUSPENDED FRONT AXLE, W/ FRONT BRAKES, FINAL DRIVE
47499253 25.108.AB[03] - VAR - 758049 - SUSPENDED FRONT AXLE, W/ FRONT BRAKES, PLANETARY GEAR
47499253 25.108.AA[08] - VAR - 758049 - SUSPENDED FRONT AXLE, W/ FRONT BRAKES, SHAFT
47499253 25.108.AN[08] - VAR - 758049 - SUSPENDED FRONT AXLE, W/ FRONT BRAKES, WHEEL, HUB
47499253 25.108.AG[16] - VAR - 758049 - SUSPENDED FRONT AXLE, W/ FRONT BRAKES, STEERING KNUCKLE, LH
47499253 25.108.AG[15] - VAR - 758049 - SUSPENDED FRONT AXLE, W/ FRONT BRAKES, STEERING KNUCKLE, RH
47499253 25.100.AD[09] - VAR - 758049 - SUSPENDED FRONT AXLE, W/ FRONT BRAKES, HOUSING
47499253 25.100.AA[03] - VAR - 758049 - FRONT AXLE, SUSPENDED W/BRAKES
47499253 25.102.AD[10] - VAR - 758049 - SUSPENDED FRONT AXLE, W/ FRONT BRAKES, DIFFERENTIAL, HOUSING
47499253 33.204.AG[05] - VAR - 758049 - SUSPENDED FRONT AXLE, W/ FRONT BRAKES, BRAKE LINE
47499253 33.204.AD[03] - VAR - 758049 - SUSPENDED FRONT AXLE, W/ FRONT BRAKES, BRAKES
47499253 33.204.AB[03] - VAR - 758049 - SUSPENDED FRONT AXLE, W/ FRONT BRAKES, BLEED SCREW
47499253 41.216.AN[10] - VAR - 758049 - SUSPENDED FRONT AXLE, W/ FRONT BRAKES, STEERING CYLINDER
47499253 41.216.AV[16] - VAR - 758049 - SUSPENDED FRONT AXLE, W/ FRONT BRAKES, STEERING CYLINDER, HYDRAULIC LINE
47499253 41.106.AG[09] - VAR - 758049 - SUSPENDED FRONT AXLE, W/ FRONT BRAKES, TIE-ROD ASSY
47499253 55.047.AA[09] - VAR - 758049 - SUSPENDED FRONT AXLE, W/FRONT BRAKES, STEERING SENSOR
PUMA 185 CVT - TRACTOR - TIER 4B(04/14 - 10/15)47499253 25.108.AC[08] - VAR - 758049 - SUSPENDED FRONT AXLE, W/ FRONT BRAKES, FINAL DRIVE
47499253 25.108.AB[03] - VAR - 758049 - SUSPENDED FRONT AXLE, W/ FRONT BRAKES, PLANETARY GEAR
47499253 25.108.AA[08] - VAR - 758049 - SUSPENDED FRONT AXLE, W/ FRONT BRAKES, SHAFT
47499253 25.108.AN[08] - VAR - 758049 - SUSPENDED FRONT AXLE, W/ FRONT BRAKES, WHEEL, HUB
47499253 25.108.AG[16] - VAR - 758049 - SUSPENDED FRONT AXLE, W/ FRONT BRAKES, STEERING KNUCKLE, LH
47499253 25.108.AG[15] - VAR - 758049 - SUSPENDED FRONT AXLE, W/ FRONT BRAKES, STEERING KNUCKLE, RH
47499253 25.100.AD[09] - VAR - 758049 - SUSPENDED FRONT AXLE, W/ FRONT BRAKES, HOUSING
47499253 25.100.AA[03] - VAR - 758049 - FRONT AXLE, SUSPENDED W/BRAKES
47499253 25.102.AD[10] - VAR - 758049 - SUSPENDED FRONT AXLE, W/ FRONT BRAKES, DIFFERENTIAL, HOUSING
47499253 33.204.AG[05] - VAR - 758049 - SUSPENDED FRONT AXLE, W/ FRONT BRAKES, BRAKE LINE
47499253 33.204.AD[03] - VAR - 758049 - SUSPENDED FRONT AXLE, W/ FRONT BRAKES, BRAKES
47499253 33.204.AB[03] - VAR - 758049 - SUSPENDED FRONT AXLE, W/ FRONT BRAKES, BLEED SCREW
47499253 41.216.AN[10] - VAR - 758049 - SUSPENDED FRONT AXLE, W/ FRONT BRAKES, STEERING CYLINDER
47499253 41.216.AV[16] - VAR - 758049 - SUSPENDED FRONT AXLE, W/ FRONT BRAKES, STEERING CYLINDER, HYDRAULIC LINE
47499253 41.106.AG[09] - VAR - 758049 - SUSPENDED FRONT AXLE, W/ FRONT BRAKES, TIE-ROD ASSY
47499253 55.047.AA[09] - VAR - 758049 - SUSPENDED FRONT AXLE, W/FRONT BRAKES, STEERING SENSOR
PUMA 195 - TRACTOR - SERIAL NUMBER Z*BE 40001 --> 50000 AND 60001 --> ...(01/09 - )84381243 1.40.0 - FRONT AXLE
PUMA 195 - TRACTOR(01/07 - 12/11)47499253 1.40.0 - FRONT AXLE, ASSY
PUMA 200 - TRACTOR - CVT(12/10 - 11/15)47499253 25.100.00 - FRONT AXLE
PUMA 200 - TRACTOR - TIER 4B - MY15 (Made in Basildon)(05/15 - 01/18)47499253 25.108.AC[08] - VAR - 758049 - SUSPENDED FRONT AXLE, W/ FRONT BRAKES, FINAL DRIVE
47499253 25.108.AB[03] - VAR - 758049 - SUSPENDED FRONT AXLE, W/ FRONT BRAKES, PLANETARY GEAR
47499253 25.108.AA[08] - VAR - 758049 - SUSPENDED FRONT AXLE, W/ FRONT BRAKES, SHAFT
47499253 25.108.AN[08] - VAR - 758049 - SUSPENDED FRONT AXLE, W/ FRONT BRAKES, WHEEL, HUB
47499253 25.108.AG[16] - VAR - 758049 - SUSPENDED FRONT AXLE, W/ FRONT BRAKES, STEERING KNUCKLE, LH
47499253 25.108.AG[15] - VAR - 758049 - SUSPENDED FRONT AXLE, W/ FRONT BRAKES, STEERING KNUCKLE, RH
47499253 25.100.AD[09] - VAR - 758049 - SUSPENDED FRONT AXLE, W/ FRONT BRAKES, HOUSING
47499253 25.100.AA[03] - VAR - 758049 - FRONT AXLE, SUSPENDED W/BRAKES
47499253 25.102.AD[10] - VAR - 758049 - SUSPENDED FRONT AXLE, W/ FRONT BRAKES, DIFFERENTIAL, HOUSING
47499253 33.204.AG[05] - VAR - 758049 - SUSPENDED FRONT AXLE, W/ FRONT BRAKES, BRAKE LINE
47499253 33.204.AD[03] - VAR - 758049 - SUSPENDED FRONT AXLE, W/ FRONT BRAKES, BRAKES
47499253 33.204.AB[03] - VAR - 758049 - SUSPENDED FRONT AXLE, W/ FRONT BRAKES, BLEED SCREW
47499253 41.216.AN[10] - VAR - 758049 - SUSPENDED FRONT AXLE, W/ FRONT BRAKES, STEERING CYLINDER
47499253 41.216.AV[16] - VAR - 758049 - SUSPENDED FRONT AXLE, W/ FRONT BRAKES, STEERING CYLINDER, HYDRAULIC LINE
47499253 41.106.AG[09] - VAR - 758049 - SUSPENDED FRONT AXLE, W/ FRONT BRAKES, TIE-ROD ASSY
47499253 55.047.AA[09] - VAR - 758049 - SUSPENDED FRONT AXLE, W/FRONT BRAKES, STEERING SENSOR
PUMA 200 - TRACTOR - TIER 4B(04/14 - 09/15)47499253 25.108.AC[08] - VAR - 758049 - SUSPENDED FRONT AXLE, W/ FRONT BRAKES, FINAL DRIVE
47499253 25.108.AB[03] - VAR - 758049 - SUSPENDED FRONT AXLE, W/ FRONT BRAKES, PLANETARY GEAR
47499253 25.108.AA[08] - VAR - 758049 - SUSPENDED FRONT AXLE, W/ FRONT BRAKES, SHAFT
47499253 25.108.AN[08] - VAR - 758049 - SUSPENDED FRONT AXLE, W/ FRONT BRAKES, WHEEL, HUB
47499253 25.108.AG[16] - VAR - 758049 - SUSPENDED FRONT AXLE, W/ FRONT BRAKES, STEERING KNUCKLE, LH
47499253 25.108.AG[15] - VAR - 758049 - SUSPENDED FRONT AXLE, W/ FRONT BRAKES, STEERING KNUCKLE, RH
47499253 25.100.AD[09] - VAR - 758049 - SUSPENDED FRONT AXLE, W/ FRONT BRAKES, HOUSING
47499253 25.100.AA[03] - VAR - 758049 - FRONT AXLE, SUSPENDED W/BRAKES
47499253 25.102.AD[10] - VAR - 758049 - SUSPENDED FRONT AXLE, W/ FRONT BRAKES, DIFFERENTIAL, HOUSING
47499253 33.204.AG[05] - VAR - 758049 - SUSPENDED FRONT AXLE, W/ FRONT BRAKES, BRAKE LINE
47499253 33.204.AD[03] - VAR - 758049 - SUSPENDED FRONT AXLE, W/ FRONT BRAKES, BRAKES
47499253 33.204.AB[03] - VAR - 758049 - SUSPENDED FRONT AXLE, W/ FRONT BRAKES, BLEED SCREW
47499253 41.216.AN[10] - VAR - 758049 - SUSPENDED FRONT AXLE, W/ FRONT BRAKES, STEERING CYLINDER
47499253 41.216.AV[16] - VAR - 758049 - SUSPENDED FRONT AXLE, W/ FRONT BRAKES, STEERING CYLINDER, HYDRAULIC LINE
47499253 41.106.AG[09] - VAR - 758049 - SUSPENDED FRONT AXLE, W/ FRONT BRAKES, TIE-ROD ASSY
47499253 55.047.AA[09] - VAR - 758049 - SUSPENDED FRONT AXLE, W/FRONT BRAKES, STEERING SENSOR
PUMA 200 - TRACTOR(12/10 - 11/15)84180901 25.100.00 - FRONT AXLE
84381243 25.100.00 - FRONT AXLE
PUMA 200 CVT - TRACTOR - TIER 4B - MY15(05/15 - 02/18)47499253 25.108.AC[08] - VAR - 758049 - SUSPENDED FRONT AXLE, W/ FRONT BRAKES, FINAL DRIVE
47499253 25.108.AB[03] - VAR - 758049 - SUSPENDED FRONT AXLE, W/ FRONT BRAKES, PLANETARY GEAR
47499253 25.108.AA[08] - VAR - 758049 - SUSPENDED FRONT AXLE, W/ FRONT BRAKES, SHAFT
47499253 25.108.AN[08] - VAR - 758049 - SUSPENDED FRONT AXLE, W/ FRONT BRAKES, WHEEL, HUB
47499253 25.108.AG[16] - VAR - 758049 - SUSPENDED FRONT AXLE, W/ FRONT BRAKES, STEERING KNUCKLE, LH
47499253 25.108.AG[15] - VAR - 758049 - SUSPENDED FRONT AXLE, W/ FRONT BRAKES, STEERING KNUCKLE, RH
47499253 25.100.AD[09] - VAR - 758049 - SUSPENDED FRONT AXLE, W/ FRONT BRAKES, HOUSING
47499253 25.100.AA[03] - VAR - 758049 - FRONT AXLE, SUSPENDED W/BRAKES
47499253 25.102.AD[10] - VAR - 758049 - SUSPENDED FRONT AXLE, W/ FRONT BRAKES, DIFFERENTIAL, HOUSING
47499253 33.204.AG[05] - VAR - 758049 - SUSPENDED FRONT AXLE, W/ FRONT BRAKES, BRAKE LINE
47499253 33.204.AD[03] - VAR - 758049 - SUSPENDED FRONT AXLE, W/ FRONT BRAKES, BRAKES
47499253 33.204.AB[03] - VAR - 758049 - SUSPENDED FRONT AXLE, W/ FRONT BRAKES, BLEED SCREW
47499253 41.216.AN[10] - VAR - 758049 - SUSPENDED FRONT AXLE, W/ FRONT BRAKES, STEERING CYLINDER
47499253 41.216.AV[16] - VAR - 758049 - SUSPENDED FRONT AXLE, W/ FRONT BRAKES, STEERING CYLINDER, HYDRAULIC LINE
47499253 41.106.AG[09] - VAR - 758049 - SUSPENDED FRONT AXLE, W/ FRONT BRAKES, TIE-ROD ASSY
47499253 55.047.AA[09] - VAR - 758049 - SUSPENDED FRONT AXLE, W/FRONT BRAKES, STEERING SENSOR
PUMA 200 CVT - TRACTOR - TIER 4B.(04/14 - 10/15)47499253 25.108.AC[08] - VAR - 758049 - SUSPENDED FRONT AXLE, W/ FRONT BRAKES, FINAL DRIVE
47499253 25.108.AB[03] - VAR - 758049 - SUSPENDED FRONT AXLE, W/ FRONT BRAKES, PLANETARY GEAR
47499253 25.108.AA[08] - VAR - 758049 - SUSPENDED FRONT AXLE, W/ FRONT BRAKES, SHAFT
47499253 25.108.AN[08] - VAR - 758049 - SUSPENDED FRONT AXLE, W/ FRONT BRAKES, WHEEL, HUB
47499253 25.108.AG[16] - VAR - 758049 - SUSPENDED FRONT AXLE, W/ FRONT BRAKES, STEERING KNUCKLE, LH
47499253 25.108.AG[15] - VAR - 758049 - SUSPENDED FRONT AXLE, W/ FRONT BRAKES, STEERING KNUCKLE, RH
47499253 25.100.AD[09] - VAR - 758049 - SUSPENDED FRONT AXLE, W/ FRONT BRAKES, HOUSING
47499253 25.100.AA[03] - VAR - 758049 - FRONT AXLE, SUSPENDED W/BRAKES
47499253 25.102.AD[10] - VAR - 758049 - SUSPENDED FRONT AXLE, W/ FRONT BRAKES, DIFFERENTIAL, HOUSING
47499253 33.204.AG[05] - VAR - 758049 - SUSPENDED FRONT AXLE, W/ FRONT BRAKES, BRAKE LINE
47499253 33.204.AD[03] - VAR - 758049 - SUSPENDED FRONT AXLE, W/ FRONT BRAKES, BRAKES
47499253 33.204.AB[03] - VAR - 758049 - SUSPENDED FRONT AXLE, W/ FRONT BRAKES, BLEED SCREW
47499253 41.216.AN[10] - VAR - 758049 - SUSPENDED FRONT AXLE, W/ FRONT BRAKES, STEERING CYLINDER
47499253 41.106.AG[09] - VAR - 758049 - SUSPENDED FRONT AXLE, W/ FRONT BRAKES, TIE-ROD ASSY
47499253 55.047.AA[09] - VAR - 758049 - SUSPENDED FRONT AXLE, W/FRONT BRAKES, STEERING SENSOR
84381243 41.216.AV[16] - VAR - 758049 - SUSPENDED FRONT AXLE, W/ FRONT BRAKES, STEERING CYLINDER, HYDRAULIC LINE
PUMA 210 - TRACTOR - SERIAL NUMBER Z*BE 40001 --> 50000 AND 60001 --> ...(01/09 - )84381243 1.40.0 - FRONT AXLE
PUMA 210 - TRACTOR(01/07 - 12/11)47499253 1.40.0 - FRONT AXLE, ASSY
PUMA 215 - TRACTOR - CVT(12/10 - 12/14)47499253 25.100.00 - FRONT AXLE
PUMA 215 - TRACTOR(12/10 - 11/15)47499253 25.100.00 - FRONT AXLE
PUMA 220 - TRACTOR - TIER 4B - MY15 (Made in Basildon)(05/15 - 11/17)47499253 25.108.AC[08] - VAR - 758049 - SUSPENDED FRONT AXLE, W/ FRONT BRAKES, FINAL DRIVE
47499253 25.108.AB[03] - VAR - 758049 - SUSPENDED FRONT AXLE, W/ FRONT BRAKES, PLANETARY GEAR
47499253 25.108.AA[08] - VAR - 758049 - SUSPENDED FRONT AXLE, W/ FRONT BRAKES, SHAFT
47499253 25.108.AN[08] - VAR - 758049 - SUSPENDED FRONT AXLE, W/ FRONT BRAKES, WHEEL, HUB
47499253 25.108.AG[16] - VAR - 758049 - SUSPENDED FRONT AXLE, W/ FRONT BRAKES, STEERING KNUCKLE, LH
47499253 25.108.AG[15] - VAR - 758049 - SUSPENDED FRONT AXLE, W/ FRONT BRAKES, STEERING KNUCKLE, RH
47499253 25.102.AD[10] - VAR - 758049 - SUSPENDED FRONT AXLE, W/ FRONT BRAKES, DIFFERENTIAL, HOUSING
47499253 25.100.AA[03] - VAR - 758049 - FRONT AXLE, SUSPENDED W/BRAKES
47499253 25.100.AD[09] - VAR - 758049 - SUSPENDED FRONT AXLE, W/ FRONT BRAKES, HOUSING
47499253 33.204.AG[05] - VAR - 758049 - SUSPENDED FRONT AXLE, W/ FRONT BRAKES, BRAKE LINE
47499253 33.204.AD[03] - VAR - 758049 - SUSPENDED FRONT AXLE, W/ FRONT BRAKES, BRAKES
47499253 33.204.AB[03] - VAR - 758049 - SUSPENDED FRONT AXLE, W/ FRONT BRAKES, BLEED SCREW
47499253 41.216.AN[10] - VAR - 758049 - SUSPENDED FRONT AXLE, W/ FRONT BRAKES, STEERING CYLINDER
47499253 41.216.AV[16] - VAR - 758049 - SUSPENDED FRONT AXLE, W/ FRONT BRAKES, STEERING CYLINDER, HYDRAULIC LINE
47499253 41.106.AG[09] - VAR - 758049 - SUSPENDED FRONT AXLE, W/ FRONT BRAKES, TIE-ROD ASSY
47499253 55.047.AA[09] - VAR - 758049 - SUSPENDED FRONT AXLE, W/FRONT BRAKES, STEERING SENSOR
PUMA 220 - TRACTOR - TIER 4B(04/14 - 06/15)47499253 25.108.AC[08] - VAR - 758049 - SUSPENDED FRONT AXLE, W/ FRONT BRAKES, FINAL DRIVE
47499253 25.108.AB[03] - VAR - 758049 - SUSPENDED FRONT AXLE, W/ FRONT BRAKES, PLANETARY GEAR
47499253 25.108.AA[08] - VAR - 758049 - SUSPENDED FRONT AXLE, W/ FRONT BRAKES, SHAFT
47499253 25.108.AN[08] - VAR - 758049 - SUSPENDED FRONT AXLE, W/ FRONT BRAKES, WHEEL, HUB
47499253 25.108.AG[16] - VAR - 758049 - SUSPENDED FRONT AXLE, W/ FRONT BRAKES, STEERING KNUCKLE, LH
47499253 25.108.AG[15] - VAR - 758049 - SUSPENDED FRONT AXLE, W/ FRONT BRAKES, STEERING KNUCKLE, RH
47499253 25.100.AD[09] - VAR - 758049 - SUSPENDED FRONT AXLE, W/ FRONT BRAKES, HOUSING
47499253 25.100.AA[03] - VAR - 758049 - FRONT AXLE, SUSPENDED W/BRAKES
47499253 25.102.AD[10] - VAR - 758049 - SUSPENDED FRONT AXLE, W/ FRONT BRAKES, DIFFERENTIAL, HOUSING
47499253 33.204.AG[05] - VAR - 758049 - SUSPENDED FRONT AXLE, W/ FRONT BRAKES, BRAKE LINE
47499253 33.204.AD[03] - VAR - 758049 - SUSPENDED FRONT AXLE, W/ FRONT BRAKES, BRAKES
47499253 33.204.AB[03] - VAR - 758049 - SUSPENDED FRONT AXLE, W/ FRONT BRAKES, BLEED SCREW
47499253 41.216.AN[10] - VAR - 758049 - SUSPENDED FRONT AXLE, W/ FRONT BRAKES, STEERING CYLINDER
47499253 41.216.AV[16] - VAR - 758049 - SUSPENDED FRONT AXLE, W/ FRONT BRAKES, STEERING CYLINDER, HYDRAULIC LINE
47499253 41.106.AG[09] - VAR - 758049 - SUSPENDED FRONT AXLE, W/ FRONT BRAKES, TIE-ROD ASSY
47499253 55.047.AA[09] - VAR - 758049 - SUSPENDED FRONT AXLE, W/FRONT BRAKES, STEERING SENSOR
PUMA 220 CVT - TRACTOR - TIER 4B - MY15(05/15 - 10/17)47499253 25.108.AC[08] - VAR - 758049 - SUSPENDED FRONT AXLE, W/ FRONT BRAKES, FINAL DRIVE
47499253 25.108.AB[03] - VAR - 758049 - SUSPENDED FRONT AXLE, W/ FRONT BRAKES, PLANETARY GEAR
47499253 25.108.AA[08] - VAR - 758049 - SUSPENDED FRONT AXLE, W/ FRONT BRAKES, SHAFT
47499253 25.108.AN[08] - VAR - 758049 - SUSPENDED FRONT AXLE, W/ FRONT BRAKES, WHEEL, HUB
47499253 25.108.AG[16] - VAR - 758049 - SUSPENDED FRONT AXLE, W/ FRONT BRAKES, STEERING KNUCKLE, LH
47499253 25.100.AD[09] - VAR - 758049 - SUSPENDED FRONT AXLE, W/ FRONT BRAKES, HOUSING
47499253 25.100.AA[03] - VAR - 758049 - FRONT AXLE, SUSPENDED W/BRAKES
47499253 25.102.AD[10] - VAR - 758049 - SUSPENDED FRONT AXLE, W/ FRONT BRAKES, DIFFERENTIAL, HOUSING
47499253 33.204.AG[05] - VAR - 758049 - SUSPENDED FRONT AXLE, W/ FRONT BRAKES, BRAKE LINE
47499253 33.204.AD[03] - VAR - 758049 - SUSPENDED FRONT AXLE, W/ FRONT BRAKES, BRAKES
47499253 33.204.AB[03] - VAR - 758049 - SUSPENDED FRONT AXLE, W/ FRONT BRAKES, BLEED SCREW
47499253 41.216.AN[10] - VAR - 758049 - SUSPENDED FRONT AXLE, W/ FRONT BRAKES, STEERING CYLINDER
47499253 41.216.AV[16] - VAR - 758049 - SUSPENDED FRONT AXLE, W/ FRONT BRAKES, STEERING CYLINDER, HYDRAULIC LINE
47499253 41.106.AG[09] - VAR - 758049 - SUSPENDED FRONT AXLE, W/ FRONT BRAKES, TIE-ROD ASSY
47499253 55.047.AA[09] - VAR - 758049 - SUSPENDED FRONT AXLE, W/FRONT BRAKES, STEERING SENSOR
84381243 25.108.AG[15] - VAR - 758049 - SUSPENDED FRONT AXLE, W/ FRONT BRAKES, STEERING KNUCKLE, RH
PUMA 220 CVT - TRACTOR - TIER 4B(04/14 - 10/15)47499253 25.108.AC[08] - VAR - 758049 - SUSPENDED FRONT AXLE, W/ FRONT BRAKES, FINAL DRIVE
47499253 25.108.AB[03] - VAR - 758049 - SUSPENDED FRONT AXLE, W/ FRONT BRAKES, PLANETARY GEAR
47499253 25.108.AA[08] - VAR - 758049 - SUSPENDED FRONT AXLE, W/ FRONT BRAKES, SHAFT
47499253 25.108.AN[08] - VAR - 758049 - SUSPENDED FRONT AXLE, W/ FRONT BRAKES, WHEEL, HUB
47499253 25.108.AG[16] - VAR - 758049 - SUSPENDED FRONT AXLE, W/ FRONT BRAKES, STEERING KNUCKLE, LH
47499253 25.108.AG[15] - VAR - 758049 - SUSPENDED FRONT AXLE, W/ FRONT BRAKES, STEERING KNUCKLE, RH
47499253 25.100.AD[09] - VAR - 758049 - SUSPENDED FRONT AXLE, W/ FRONT BRAKES, HOUSING
47499253 25.100.AA[03] - VAR - 758049 - FRONT AXLE, SUSPENDED W/BRAKES
47499253 25.102.AD[10] - VAR - 758049 - SUSPENDED FRONT AXLE, W/ FRONT BRAKES, DIFFERENTIAL, HOUSING
47499253 33.204.AG[05] - VAR - 758049 - SUSPENDED FRONT AXLE, W/ FRONT BRAKES, BRAKE LINE
47499253 33.204.AD[03] - VAR - 758049 - SUSPENDED FRONT AXLE, W/ FRONT BRAKES, BRAKES
47499253 33.204.AB[03] - VAR - 758049 - SUSPENDED FRONT AXLE, W/ FRONT BRAKES, BLEED SCREW
47499253 41.216.AN[10] - VAR - 758049 - SUSPENDED FRONT AXLE, W/ FRONT BRAKES, STEERING CYLINDER
47499253 41.216.AV[16] - VAR - 758049 - SUSPENDED FRONT AXLE, W/ FRONT BRAKES, STEERING CYLINDER, HYDRAULIC LINE
47499253 41.106.AG[09] - VAR - 758049 - SUSPENDED FRONT AXLE, W/ FRONT BRAKES, TIE-ROD ASSY
47499253 55.047.AA[09] - VAR - 758049 - SUSPENDED FRONT AXLE, W/FRONT BRAKES, STEERING SENSOR
PUMA 230 - TRACTOR - CVT(12/10 - 11/15)47499253 25.100.00 - FRONT AXLE
T7.220 - AUTOCOMMAND TRACTOR(12/10 - 04/16)47499253 25.100.00 - FRONT AXLE
T7.220 - TRACTOR(12/10 - 02/16)47499253 25.100.00 - FRONT AXLE
T7.230 - AUTOCOMMAND TRACTOR - TIER 4B - MY15(06/15 - 01/18)47499253 25.108.AC[08] - VAR - 758049 - SUSPENDED FRONT AXLE, W/ FRONT BRAKES, FINAL DRIVE
47499253 25.108.AA[08] - VAR - 758049 - SUSPENDED FRONT AXLE, W/ FRONT BRAKES, SHAFT
47499253 25.108.AB[03] - VAR - 758049 - SUSPENDED FRONT AXLE, W/ FRONT BRAKES, PLANETARY GEAR
47499253 25.108.AN[08] - VAR - 758049 - SUSPENDED FRONT AXLE, W/ FRONT BRAKES, WHEEL, HUB
47499253 25.108.AG[16] - VAR - 758049 - SUSPENDED FRONT AXLE, W/ FRONT BRAKES, STEERING KNUCKLE, LH
47499253 25.108.AG[15] - VAR - 758049 - SUSPENDED FRONT AXLE, W/ FRONT BRAKES, STEERING KNUCKLE, RH
47499253 25.100.AD[09] - VAR - 758049 - SUSPENDED FRONT AXLE, W/ FRONT BRAKES, HOUSING
47499253 25.100.AA[03] - VAR - 758049 - FRONT AXLE, SUSPENDED W/BRAKES
47499253 25.102.AD[10] - VAR - 758049 - SUSPENDED FRONT AXLE, W/ FRONT BRAKES, DIFFERENTIAL, HOUSING
47499253 33.204.AG[05] - VAR - 758049 - SUSPENDED FRONT AXLE, W/ FRONT BRAKES, BRAKE LINE
47499253 33.204.AD[03] - VAR - 758049 - SUSPENDED FRONT AXLE, W/ FRONT BRAKES, BRAKES
47499253 33.204.AB[03] - VAR - 758049 - SUSPENDED FRONT AXLE, W/ FRONT BRAKES, BLEED SCREW
47499253 41.216.AN[10] - VAR - 758049 - SUSPENDED FRONT AXLE, W/ FRONT BRAKES, STEERING CYLINDER
47499253 41.216.AV[16] - VAR - 758049 - SUSPENDED FRONT AXLE, W/ FRONT BRAKES, STEERING CYLINDER, HYDRAULIC LINE
47499253 41.106.AG[09] - VAR - 758049 - SUSPENDED FRONT AXLE, W/ FRONT BRAKES, TIE-ROD ASSY
47499253 55.047.AA[09] - VAR - 758049 - SUSPENDED FRONT AXLE, W/FRONT BRAKES, STEERING SENSOR
T7.230 - AUTOCOMMAND TRACTOR - TIER 4B(04/14 - 07/15)47499253 25.108.AB[03] - VAR - 758049 - SUSPENDED FRONT AXLE, W/ FRONT BRAKES, PLANETARY GEAR
47499253 25.108.AA[08] - VAR - 758049 - SUSPENDED FRONT AXLE, W/ FRONT BRAKES, SHAFT
47499253 25.108.AC[08] - VAR - 758049 - SUSPENDED FRONT AXLE, W/ FRONT BRAKES, FINAL DRIVE
47499253 25.108.AN[08] - VAR - 758049 - SUSPENDED FRONT AXLE, W/ FRONT BRAKES, WHEEL, HUB
47499253 25.108.AG[16] - VAR - 758049 - SUSPENDED FRONT AXLE, W/ FRONT BRAKES, STEERING KNUCKLE, LH
47499253 25.108.AG[15] - VAR - 758049 - SUSPENDED FRONT AXLE, W/ FRONT BRAKES, STEERING KNUCKLE, RH
47499253 25.100.AA[03] - VAR - 758049 - FRONT AXLE, SUSPENDED W/BRAKES
47499253 25.102.AD[10] - VAR - 758049 - SUSPENDED FRONT AXLE, W/ FRONT BRAKES, DIFFERENTIAL, HOUSING
47499253 33.204.AB[03] - VAR - 758049 - SUSPENDED FRONT AXLE, W/ FRONT BRAKES, BLEED SCREW
47499253 33.204.AG[05] - VAR - 758049 - SUSPENDED FRONT AXLE, W/ FRONT BRAKES, BRAKE LINE
47499253 33.204.AD[03] - VAR - 758049 - SUSPENDED FRONT AXLE, W/ FRONT BRAKES, BRAKES
47499253 41.216.AN[10] - VAR - 758049 - SUSPENDED FRONT AXLE, W/ FRONT BRAKES, STEERING CYLINDER
47499253 41.216.AV[16] - VAR - 758049 - SUSPENDED FRONT AXLE, W/ FRONT BRAKES, STEERING CYLINDER, HYDRAULIC LINE
47499253 41.106.AG[09] - VAR - 758049 - SUSPENDED FRONT AXLE, W/ FRONT BRAKES, TIE-ROD ASSY
47499253 55.047.AA[09] - VAR - 758049 - SUSPENDED FRONT AXLE, W/FRONT BRAKES, STEERING SENSOR
84381243 25.100.AD[09] - VAR - 758049 - SUSPENDED FRONT AXLE, W/ FRONT BRAKES, HOUSING
T7.230 - CLASSIC TRACTOR - TIER 4B - MY15(06/15 - 01/18)47499253 25.108.AC[08] - VAR - 758049 - SUSPENDED FRONT AXLE, W/ FRONT BRAKES, FINAL DRIVE
47499253 25.108.AB[03] - VAR - 758049 - SUSPENDED FRONT AXLE, W/ FRONT BRAKES, PLANETARY GEAR
47499253 25.108.AA[08] - VAR - 758049 - SUSPENDED FRONT AXLE, W/ FRONT BRAKES, SHAFT
47499253 25.108.AN[08] - VAR - 758049 - SUSPENDED FRONT AXLE, W/ FRONT BRAKES, WHEEL, HUB
47499253 25.108.AG[16] - VAR - 758049 - SUSPENDED FRONT AXLE, W/ FRONT BRAKES, STEERING KNUCKLE, LH
47499253 25.108.AG[15] - VAR - 758049 - SUSPENDED FRONT AXLE, W/ FRONT BRAKES, STEERING KNUCKLE, RH
47499253 25.100.AD[09] - VAR - 758049 - SUSPENDED FRONT AXLE, W/ FRONT BRAKES, HOUSING
47499253 25.100.AA[03] - VAR - 758049 - FRONT AXLE, SUSPENDED W/BRAKES
47499253 25.102.AD[10] - VAR - 758049 - SUSPENDED FRONT AXLE, W/ FRONT BRAKES, DIFFERENTIAL, HOUSING
47499253 33.204.AB[03] - VAR - 758049 - SUSPENDED FRONT AXLE, W/ FRONT BRAKES, BLEED SCREW
47499253 33.204.AD[03] - VAR - 758049 - SUSPENDED FRONT AXLE, W/ FRONT BRAKES, BRAKES
47499253 33.204.AG[05] - VAR - 758049 - SUSPENDED FRONT AXLE, W/ FRONT BRAKES, BRAKE LINE
47499253 41.216.AN[10] - VAR - 758049 - SUSPENDED FRONT AXLE, W/ FRONT BRAKES, STEERING CYLINDER
47499253 55.047.AA[09] - VAR - 758049 - SUSPENDED FRONT AXLE, W/FRONT BRAKES, STEERING SENSOR
84381243 41.106.AG[09] - VAR - 758049 - SUSPENDED FRONT AXLE, W/ FRONT BRAKES, TIE-ROD ASSY
84381243 41.216.AV[16] - VAR - 758049 - SUSPENDED FRONT AXLE, W/ FRONT BRAKES, STEERING CYLINDER, HYDRAULIC LINE
T7.230 - SIDEWINDER II TRACTOR - TIER 4B - MY15(06/15 - 05/18)47499253 25.108.AC[08] - VAR - 758049 - SUSPENDED FRONT AXLE, W/ FRONT BRAKES, FINAL DRIVE
47499253 25.108.AB[03] - VAR - 758049 - SUSPENDED FRONT AXLE, W/ FRONT BRAKES, PLANETARY GEAR
47499253 25.108.AA[08] - VAR - 758049 - SUSPENDED FRONT AXLE, W/ FRONT BRAKES, SHAFT
47499253 25.108.AG[16] - VAR - 758049 - SUSPENDED FRONT AXLE, W/ FRONT BRAKES, STEERING KNUCKLE, LH
47499253 25.108.AG[15] - VAR - 758049 - SUSPENDED FRONT AXLE, W/ FRONT BRAKES, STEERING KNUCKLE, RH
47499253 25.100.AD[09] - VAR - 758049 - SUSPENDED FRONT AXLE, W/ FRONT BRAKES, HOUSING
47499253 25.100.AA[03] - VAR - 758049 - FRONT AXLE, SUSPENDED W/BRAKES
47499253 25.102.AD[10] - VAR - 758049 - SUSPENDED FRONT AXLE, W/ FRONT BRAKES, DIFFERENTIAL, HOUSING
47499253 33.204.AG[05] - VAR - 758049 - SUSPENDED FRONT AXLE, W/ FRONT BRAKES, BRAKE LINE
47499253 33.204.AD[03] - VAR - 758049 - SUSPENDED FRONT AXLE, W/ FRONT BRAKES, BRAKES
47499253 33.204.AB[03] - VAR - 758049 - SUSPENDED FRONT AXLE, W/ FRONT BRAKES, BLEED SCREW
47499253 41.216.AN[10] - VAR - 758049 - SUSPENDED FRONT AXLE, W/ FRONT BRAKES, STEERING CYLINDER
47499253 41.216.AV[16] - VAR - 758049 - SUSPENDED FRONT AXLE, W/ FRONT BRAKES, STEERING CYLINDER, HYDRAULIC LINE
47499253 41.106.AG[09] - VAR - 758049 - SUSPENDED FRONT AXLE, W/ FRONT BRAKES, TIE-ROD ASSY
47499253 55.047.AA[09] - VAR - 758049 - SUSPENDED FRONT AXLE, W/FRONT BRAKES, STEERING SENSOR
84381243 25.108.AN[08] - VAR - 758049 - SUSPENDED FRONT AXLE, W/ FRONT BRAKES, WHEEL, HUB
T7.230 - TRACTOR - TIER 4B(04/14 - 07/15)47499253 25.100.AD[09] - VAR - 758049 - SUSPENDED FRONT AXLE, W/ FRONT BRAKES, HOUSING
47499253 25.100.AA[03] - VAR - 758049 - FRONT AXLE, SUSPENDED W/BRAKES
47499253 25.102.AD[10] - VAR - 758049 - SUSPENDED FRONT AXLE, W/ FRONT BRAKES, DIFFERENTIAL, HOUSING
47499253 25.108.AG[15] - VAR - 758049 - SUSPENDED FRONT AXLE, W/ FRONT BRAKES, STEERING KNUCKLE, RH
47499253 25.108.AG[16] - VAR - 758049 - SUSPENDED FRONT AXLE, W/ FRONT BRAKES, STEERING KNUCKLE, LH
47499253 25.108.AN[08] - VAR - 758049 - SUSPENDED FRONT AXLE, W/ FRONT BRAKES, WHEEL, HUB
47499253 25.108.AC[08] - VAR - 758049 - SUSPENDED FRONT AXLE, W/ FRONT BRAKES, FINAL DRIVE
47499253 25.108.AA[08] - VAR - 758049 - SUSPENDED FRONT AXLE, W/ FRONT BRAKES, SHAFT
47499253 25.108.AB[03] - VAR - 758049 - SUSPENDED FRONT AXLE, W/ FRONT BRAKES, PLANETARY GEAR
47499253 33.204.AG[05] - VAR - 758049 - SUSPENDED FRONT AXLE, W/ FRONT BRAKES, BRAKE LINE
47499253 33.204.AD[03] - VAR - 758049 - SUSPENDED FRONT AXLE, W/ FRONT BRAKES, BRAKES
47499253 33.204.AB[03] - VAR - 758049 - SUSPENDED FRONT AXLE, W/ FRONT BRAKES, BLEED SCREW
47499253 41.216.AN[10] - VAR - 758049 - SUSPENDED FRONT AXLE, W/ FRONT BRAKES, STEERING CYLINDER
47499253 41.216.AV[16] - VAR - 758049 - SUSPENDED FRONT AXLE, W/ FRONT BRAKES, STEERING CYLINDER, HYDRAULIC LINE
47499253 41.106.AG[09] - VAR - 758049 - SUSPENDED FRONT AXLE, W/ FRONT BRAKES, TIE-ROD ASSY
47499253 55.047.AA[09] - VAR - 758049 - SUSPENDED FRONT AXLE, W/FRONT BRAKES, STEERING SENSOR
T7.235 - AUTOCOMMAND TRACTOR(12/10 - 03/16)84180901 25.100.00 - FRONT AXLE
84381243 25.100.00 - FRONT AXLE
T7.235 - TRACTOR(12/10 - 05/16)84180901 25.100.00 - FRONT AXLE
84381243 25.100.00 - FRONT AXLE
T7.245 - AUTOCOMMAND TRACTOR - TIER 4B - MY15(06/15 - 02/18)47499253 25.108.AC[08] - VAR - 758049 - SUSPENDED FRONT AXLE, W/ FRONT BRAKES, FINAL DRIVE
47499253 25.108.AA[08] - VAR - 758049 - SUSPENDED FRONT AXLE, W/ FRONT BRAKES, SHAFT
47499253 25.108.AB[03] - VAR - 758049 - SUSPENDED FRONT AXLE, W/ FRONT BRAKES, PLANETARY GEAR
47499253 25.108.AN[08] - VAR - 758049 - SUSPENDED FRONT AXLE, W/ FRONT BRAKES, WHEEL, HUB
47499253 25.108.AG[16] - VAR - 758049 - SUSPENDED FRONT AXLE, W/ FRONT BRAKES, STEERING KNUCKLE, LH
47499253 25.108.AG[15] - VAR - 758049 - SUSPENDED FRONT AXLE, W/ FRONT BRAKES, STEERING KNUCKLE, RH
47499253 25.100.AD[09] - VAR - 758049 - SUSPENDED FRONT AXLE, W/ FRONT BRAKES, HOUSING
47499253 25.100.AA[03] - VAR - 758049 - FRONT AXLE, SUSPENDED W/BRAKES
47499253 25.102.AD[10] - VAR - 758049 - SUSPENDED FRONT AXLE, W/ FRONT BRAKES, DIFFERENTIAL, HOUSING
47499253 33.204.AG[05] - VAR - 758049 - SUSPENDED FRONT AXLE, W/ FRONT BRAKES, BRAKE LINE
47499253 33.204.AD[03] - VAR - 758049 - SUSPENDED FRONT AXLE, W/ FRONT BRAKES, BRAKES
47499253 33.204.AB[03] - VAR - 758049 - SUSPENDED FRONT AXLE, W/ FRONT BRAKES, BLEED SCREW
47499253 41.216.AV[16] - VAR - 758049 - SUSPENDED FRONT AXLE, W/ FRONT BRAKES, STEERING CYLINDER, HYDRAULIC LINE
47499253 41.106.AG[09] - VAR - 758049 - SUSPENDED FRONT AXLE, W/ FRONT BRAKES, TIE-ROD ASSY
47499253 55.047.AA[09] - VAR - 758049 - SUSPENDED FRONT AXLE, W/FRONT BRAKES, STEERING SENSOR
84381243 41.216.AN[10] - VAR - 758049 - SUSPENDED FRONT AXLE, W/ FRONT BRAKES, STEERING CYLINDER
T7.245 - AUTOCOMMAND TRACTOR - TIER 4B(04/14 - 09/15)47499253 25.108.AB[03] - VAR - 758049 - SUSPENDED FRONT AXLE, W/ FRONT BRAKES, PLANETARY GEAR
47499253 25.108.AA[08] - VAR - 758049 - SUSPENDED FRONT AXLE, W/ FRONT BRAKES, SHAFT
47499253 25.108.AC[08] - VAR - 758049 - SUSPENDED FRONT AXLE, W/ FRONT BRAKES, FINAL DRIVE
47499253 25.108.AN[08] - VAR - 758049 - SUSPENDED FRONT AXLE, W/ FRONT BRAKES, WHEEL, HUB
47499253 25.108.AG[16] - VAR - 758049 - SUSPENDED FRONT AXLE, W/ FRONT BRAKES, STEERING KNUCKLE, LH
47499253 25.108.AG[15] - VAR - 758049 - SUSPENDED FRONT AXLE, W/ FRONT BRAKES, STEERING KNUCKLE, RH
47499253 25.100.AD[09] - VAR - 758049 - SUSPENDED FRONT AXLE, W/ FRONT BRAKES, HOUSING
47499253 25.100.AA[03] - VAR - 758049 - FRONT AXLE, SUSPENDED W/BRAKES
47499253 25.102.AD[10] - VAR - 758049 - SUSPENDED FRONT AXLE, W/ FRONT BRAKES, DIFFERENTIAL, HOUSING
47499253 33.204.AB[03] - VAR - 758049 - SUSPENDED FRONT AXLE, W/ FRONT BRAKES, BLEED SCREW
47499253 33.204.AG[05] - VAR - 758049 - SUSPENDED FRONT AXLE, W/ FRONT BRAKES, BRAKE LINE
47499253 33.204.AD[03] - VAR - 758049 - SUSPENDED FRONT AXLE, W/ FRONT BRAKES, BRAKES
47499253 41.216.AN[10] - VAR - 758049 - SUSPENDED FRONT AXLE, W/ FRONT BRAKES, STEERING CYLINDER
47499253 41.216.AV[16] - VAR - 758049 - SUSPENDED FRONT AXLE, W/ FRONT BRAKES, STEERING CYLINDER, HYDRAULIC LINE
47499253 41.106.AG[09] - VAR - 758049 - SUSPENDED FRONT AXLE, W/ FRONT BRAKES, TIE-ROD ASSY
47499253 55.047.AA[09] - VAR - 758049 - SUSPENDED FRONT AXLE, W/FRONT BRAKES, STEERING SENSOR
T7.245 - CLASSIC TRACTOR - TIER 4B - MY15(06/15 - 09/17)47499253 25.108.AC[08] - VAR - 758049 - SUSPENDED FRONT AXLE, W/ FRONT BRAKES, FINAL DRIVE
47499253 25.108.AB[03] - VAR - 758049 - SUSPENDED FRONT AXLE, W/ FRONT BRAKES, PLANETARY GEAR
47499253 25.108.AA[08] - VAR - 758049 - SUSPENDED FRONT AXLE, W/ FRONT BRAKES, SHAFT
47499253 25.108.AN[08] - VAR - 758049 - SUSPENDED FRONT AXLE, W/ FRONT BRAKES, WHEEL, HUB
47499253 25.108.AG[16] - VAR - 758049 - SUSPENDED FRONT AXLE, W/ FRONT BRAKES, STEERING KNUCKLE, LH
47499253 25.108.AG[15] - VAR - 758049 - SUSPENDED FRONT AXLE, W/ FRONT BRAKES, STEERING KNUCKLE, RH
47499253 25.100.AD[09] - VAR - 758049 - SUSPENDED FRONT AXLE, W/ FRONT BRAKES, HOUSING
47499253 25.100.AA[03] - VAR - 758049 - FRONT AXLE, SUSPENDED W/BRAKES
47499253 25.102.AD[10] - VAR - 758049 - SUSPENDED FRONT AXLE, W/ FRONT BRAKES, DIFFERENTIAL, HOUSING
47499253 33.204.AB[03] - VAR - 758049 - SUSPENDED FRONT AXLE, W/ FRONT BRAKES, BLEED SCREW
47499253 33.204.AD[03] - VAR - 758049 - SUSPENDED FRONT AXLE, W/ FRONT BRAKES, BRAKES
47499253 33.204.AG[05] - VAR - 758049 - SUSPENDED FRONT AXLE, W/ FRONT BRAKES, BRAKE LINE
47499253 41.216.AN[10] - VAR - 758049 - SUSPENDED FRONT AXLE, W/ FRONT BRAKES, STEERING CYLINDER
47499253 41.216.AV[16] - VAR - 758049 - SUSPENDED FRONT AXLE, W/ FRONT BRAKES, STEERING CYLINDER, HYDRAULIC LINE
47499253 41.106.AG[09] - VAR - 758049 - SUSPENDED FRONT AXLE, W/ FRONT BRAKES, TIE-ROD ASSY
84381243 55.047.AA[09] - VAR - 758049 - SUSPENDED FRONT AXLE, W/FRONT BRAKES, STEERING SENSOR
T7.245 - SIDEWINDER II TRACTOR - TIER 4B - MY15(06/15 - 10/17)47499253 25.108.AC[08] - VAR - 758049 - SUSPENDED FRONT AXLE, W/ FRONT BRAKES, FINAL DRIVE
47499253 25.108.AB[03] - VAR - 758049 - SUSPENDED FRONT AXLE, W/ FRONT BRAKES, PLANETARY GEAR
47499253 25.108.AA[08] - VAR - 758049 - SUSPENDED FRONT AXLE, W/ FRONT BRAKES, SHAFT
47499253 25.108.AN[08] - VAR - 758049 - SUSPENDED FRONT AXLE, W/ FRONT BRAKES, WHEEL, HUB
47499253 25.108.AG[16] - VAR - 758049 - SUSPENDED FRONT AXLE, W/ FRONT BRAKES, STEERING KNUCKLE, LH
47499253 25.108.AG[15] - VAR - 758049 - SUSPENDED FRONT AXLE, W/ FRONT BRAKES, STEERING KNUCKLE, RH
47499253 25.100.AD[09] - VAR - 758049 - SUSPENDED FRONT AXLE, W/ FRONT BRAKES, HOUSING
47499253 25.100.AA[03] - VAR - 758049 - FRONT AXLE, SUSPENDED W/BRAKES
47499253 25.102.AD[10] - VAR - 758049 - SUSPENDED FRONT AXLE, W/ FRONT BRAKES, DIFFERENTIAL, HOUSING
47499253 33.204.AG[05] - VAR - 758049 - SUSPENDED FRONT AXLE, W/ FRONT BRAKES, BRAKE LINE
47499253 33.204.AD[03] - VAR - 758049 - SUSPENDED FRONT AXLE, W/ FRONT BRAKES, BRAKES
47499253 33.204.AB[03] - VAR - 758049 - SUSPENDED FRONT AXLE, W/ FRONT BRAKES, BLEED SCREW
47499253 41.216.AN[10] - VAR - 758049 - SUSPENDED FRONT AXLE, W/ FRONT BRAKES, STEERING CYLINDER
47499253 41.216.AV[16] - VAR - 758049 - SUSPENDED FRONT AXLE, W/ FRONT BRAKES, STEERING CYLINDER, HYDRAULIC LINE
47499253 41.106.AG[09] - VAR - 758049 - SUSPENDED FRONT AXLE, W/ FRONT BRAKES, TIE-ROD ASSY
47499253 55.047.AA[09] - VAR - 758049 - SUSPENDED FRONT AXLE, W/FRONT BRAKES, STEERING SENSOR
T7.245 - TRACTOR - TIER 4B(04/14 - 07/15)47499253 25.108.AB[03] - VAR - 758049 - SUSPENDED FRONT AXLE, W/ FRONT BRAKES, PLANETARY GEAR
47499253 25.108.AA[08] - VAR - 758049 - SUSPENDED FRONT AXLE, W/ FRONT BRAKES, SHAFT
47499253 25.108.AC[08] - VAR - 758049 - SUSPENDED FRONT AXLE, W/ FRONT BRAKES, FINAL DRIVE
47499253 25.108.AN[08] - VAR - 758049 - SUSPENDED FRONT AXLE, W/ FRONT BRAKES, WHEEL, HUB
47499253 25.108.AG[16] - VAR - 758049 - SUSPENDED FRONT AXLE, W/ FRONT BRAKES, STEERING KNUCKLE, LH
47499253 25.108.AG[15] - VAR - 758049 - SUSPENDED FRONT AXLE, W/ FRONT BRAKES, STEERING KNUCKLE, RH
47499253 25.100.AD[09] - VAR - 758049 - SUSPENDED FRONT AXLE, W/ FRONT BRAKES, HOUSING
47499253 25.100.AA[03] - VAR - 758049 - FRONT AXLE, SUSPENDED W/BRAKES
47499253 25.102.AD[10] - VAR - 758049 - SUSPENDED FRONT AXLE, W/ FRONT BRAKES, DIFFERENTIAL, HOUSING
47499253 33.204.AG[05] - VAR - 758049 - SUSPENDED FRONT AXLE, W/ FRONT BRAKES, BRAKE LINE
47499253 33.204.AD[03] - VAR - 758049 - SUSPENDED FRONT AXLE, W/ FRONT BRAKES, BRAKES
47499253 33.204.AB[03] - VAR - 758049 - SUSPENDED FRONT AXLE, W/ FRONT BRAKES, BLEED SCREW
47499253 41.216.AV[16] - VAR - 758049 - SUSPENDED FRONT AXLE, W/ FRONT BRAKES, STEERING CYLINDER, HYDRAULIC LINE
47499253 41.106.AG[09] - VAR - 758049 - SUSPENDED FRONT AXLE, W/ FRONT BRAKES, TIE-ROD ASSY
47499253 55.047.AA[09] - VAR - 758049 - SUSPENDED FRONT AXLE, W/FRONT BRAKES, STEERING SENSOR
84381243 41.216.AN[10] - VAR - 758049 - SUSPENDED FRONT AXLE, W/ FRONT BRAKES, STEERING CYLINDER
T7.250 - AUTOCOMMAND TRACTOR (12/10 - 03/16)
T7.250 - TRACTOR (12/10 - 03/16)
T7.260 - AUTOCOMMAND TRACTOR - TIER 4B - MY15
T7.260 - SIDEWINDER II TRACTOR - TIER 4B - MY15
T7.260 - TRACTOR(12/10 - 02/16)
T7.270 - AUTOCOMMAND TRACTOR (12/10 - 02/16)
T7030 - AUTOCOMMAND TRACTOR (06/09 - 03/12)
T7030 - POWER COMMAND TRACTOR FROM S/N Z9BG07156 / Z9BG40124(06/09 - 12/11)84381243 1.40.0 - FRONT AXLE
T7030 - TRACTOR(01/07 - 12/11)47499253 1.39.0 - 4WD FRONT AXLE
T7040 - AUTOCOMMAND TRACTOR(06/09 - 03/18)47499253 1.40.3/03 - (VAR.212) FRONT AXLE WITH ACTIVE SUSPENSIONS AND BRAKES
T7040 - POWER COMMAND TRACTOR FROM S/N Z9BG07719 / Z9BG40112(06/09 - 12/17)84381243 1.40.0 - FRONT AXLE
T7040 - TRACTOR(01/07 - 12/11)47499253 1.39.0 - 4WD FRONT AXLE
T7050 - AUTOCOMMAND TRACTOR(06/09 - 08/12)47499253 1.40.3/03 - (VAR.212) FRONT AXLE WITH ACTIVE SUSPENSIONS AND BRAKES
T7050 - POWER COMMAND TRACTOR FROM S/N Z9BG07XXX / Z9BG40114(06/09 - 12/11)84381243 1.40.0 - FRONT AXLE
T7050 - TRACTOR(01/07 - 12/11)47499253 1.39.0 - 4WD FRONT AXLE
T7060 - AUTOCOMMAND TRACTOR(06/09 - 12/11)47499253 1.40.3/03 - (VAR.212) FRONT AXLE WITH ACTIVE SUSPENSIONS AND BRAKES
T7060 - POWER COMMAND TRACTOR FROM S/N Z9BG07XXX / Z9BG40117(06/09 - 05/18)84381243 1.40.0 - FRONT AXLE
T7060 - TRACTOR(01/07 - 12/11)47499253 1.39.0 - 4WD FRONT AXLE


S/N: ZABH08281
Transmission S/N: T20347


Add to Cart    Text Us! 573-242-5582



MSRP $25,000
Save $2,500!


This Class 4 Front Axle with Brakes will fit the following models...

Case IH


Marked Numbers
758049, 84381230,84180896,47499248,84180901,47499253,84381243,87634344,84381282,84180915,87633093,87347588,91805141,87633142,48081037,84361398,48081043,51408015,48081038,51408012,51408005,91714737,90400521,4791296747499290,84180915,8438128,

Related Parts
47499248, 84180901, 47499253, 84381243, 87634344, 84381282, 84180915, 87633093, 87347588, 91805141, 87633142, 48081037, 84361398, 48081043, 51408015, 48081038, 51408012, 51408005, 91714737, 90400521, 4791296747499290, 84180915, 8438128

Enter zip code for freight quote

Get Quote